BH® - Fuel filter (08 new large)- Engine Components for SINOTRUK HOWO WD615 Series engine Part No.:VG1540080311

Part No.:VG1540080311



Fuel filter (08 new large)- Engine Components for SINOTRUK HOWO WD615 Series engine Part No.:VG1540080311

Quick Details: 

Part Number:

VG1540080311

Condition:

New

Description:

Fuel filter (08 new large)

vehicle model:

HOWO-7, HOWO-A7

Applicable:

SINIOTRUK Brand truck

Quality level

OEM

Standard Accessories: 



SINOTRUK HOWO Fuel filter (08 new large) VG1540080311SINOTRUK HOWO Fuel filter VG1540080311VG1540080311
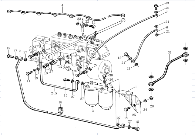
D1-15  WD615 FUEL LINE/燃油管  





D No. Part No.   Part Name     QTY

1 VG1560080094   Bracket     1

2 VG1560080017   Hose     1

2/A VG1560087017   Hose     1

2/B VG1047080005   Hose     1

3 VG14080295A   Fuel filter C     1

3/A VG14087295A   Fuel filter C     1

3-1 VG14080739A   Fine filter element     1

3-2 VG14080740A   Filter element     1

3-3 VG1560080005   Filter seat     1

3/B VG1560080011   Fine fuel filter C     1

3/B-1 VG1560080012   Fine filter element     1

3/B-2 VG1560080013   Filter seat     1

3A/B VG1560080016   Fuel filter C     1

3A/B-1 VG1560080311   Filter element     1

3A/B-2 VG1560080014   Filter seat     1

3A/B-3 VG1047080009   Water cup     1

4 VG1500080095   Fuel linereturn     1

5 VG1560080018   Hose     1

5/A VG1560087018   Hose     1

5/B VG1560080038   Hose     1

5A/B VG1560080037   Hose     1

6 VG1560070011A   Oil line     1

6/A VG1560070050   Oil line for air compressor     1

7 VG1560070012A   Oil line     1

7/A VG1560070060   Oil line for injection pump     1

8 VG1560080284   Air line     1

D No. Part No.   Part Name     QTY

10 VG609080037   Female screw     1

11 190003962603   Female screw     1

12 190003962607   Female screw     2

13 VG1560070012   Female screw     1

14 190003962612   Female screw     2

15 190003962621   Female screw     4

19 VG2600080201   Gasket     2

21 VG9003080003   Gasket     7

22 VG9003080004   Gasket     4

24 190003930012   Washer     2

25 190003932024   Spring washer     2

26 190003932016   Spring washer     2

27 VG2600080200   Gasket     10

29 190003802523   Screw     2

30 190003802627   Screw     2


Product Tags Filter water separators          water separator filter          filter water separator          water separator filter 2010sm          water separator filter fs19635          water separator filter for boats          oil water separator filter          gas water separator filter          centrifugal separator water filter         

INQUIRY

Contact us for all information about the product


click here to leave a message

leave a message
If you are interested in our products and want to know more details,please leave a message here,we will reply you as soon as we can.