HE693RTD600 High Speed Counters
Each counter provides direct processing of rapid pulse signals up to 10kHz for industrial control applications such as meter proving, turbine flowmeter, velocity measurement, material handling, motion control, and process control. Each counter can be enabled independently. Type A counters can be configured for up or down counting (default is up) and for positive or negative edge detection (default is positive). The type B counter provides an A Quad B counting function. Nano PLCs with DC outputs provide up to 3 High-Speed Counter outputs, and/or Pulse Train or Pulse-Width Modulated outputs.
HE693RTD600 DC Power Specifications
| Range |
9.6VDC - 15VDC |
| Hold-up |
3.0mS |
| Inrush Current |
8A typical at 12 VDC |
| Inrush Time |
200mS typical |
| Input Current |
250mA typical at 12 VDC |
| Input Power Supply Rating |
3W |
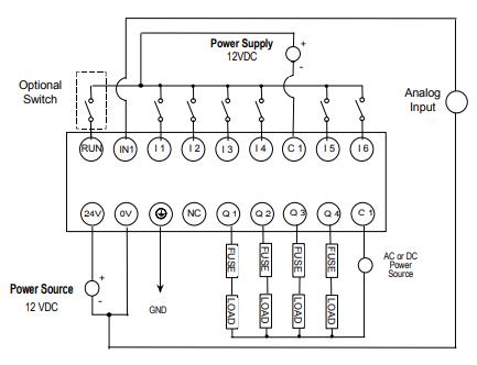
Wiring Diagram

Shipment
1. We can ship products all over the world.
2. DHL, FedEx, TNT, UPS, EMS are all available.
3. The item will be sent out within 3 days after receiving the payment.
4. When bidding for items, please make sure that your delivery address and contact phone number are correct.
5. After the product is shipped, you can track the status of the product on the website.
Inquiry Tips
1. We have a wide range of procurement channels, competitive prices, please contact us to confirm the latest price of the product. If you cannot find the exact model in our Alibaba store (the online store cannot cover all the models of countless industrial products), please contact our customer service and tell us the details, and we will try our best to meet your requirements. Warranty and return policy: All our products will be returned within one month from the date of delivery. During the warranty period, if there is any quality problem or product fault (not man-made), we will accept return.
2. Freight and handling charges are not refundable, and all costs for unreasonable return of goods and redelivery will be borne by the customer. All returned items must be in good condition. They must be available for resale. No warranty for man-made defects, such as breakage, scratches, etc. Thank you for your understanding and cooperation!
FAQ
Q: Q:How about the warranty?
A: All goods have 1 year warranty.
Q: What can I get the price?
A: We usually quote within 24 hours after we get your inquiry. If you are very urgent to get the price, please tell us in your email so that we will regard you inquiry priority.
Q: What about the shipment?
A: We can arrange shipment by DHL, FedEx, UPS,TNT, EMS with competitive price, of course, customers can also use their own freight forwarders.
Q: How about the terms of payment?
A: Generally through T/T and Western Union also accept.
Q: Does we keeps goods in stock or only trading?
A: We have large warehouse for goods. Keep lots of goods in warehouse, so could promise fast delivery.
Related Searches for HE693RTD600
| DSBC176 3BSE019216R1 |
1746-HT |
51305907-175 |
| IMRIO02 |
1794-IB8 |
51107403-100 |
| DSDX454 5716075-AT |
2711-T10C20 |
51202330-300 |
| 07EA63R1 |
1769-IQ32T |
10004/H/F |
| APBU-44C 64669982F |
1794-OE4 |
51304337-150 |
| DI803 3BSE022362R1 |
1746-NR4 |
10014/I/I |
| 3DDE300405 CMA125 |
1756-MVI |
51401560-100 |
| CI532V01 3BSE003826R1 |
1734-IT2I |
51309204-175 |
| NTMP01 |
1764-LRP |
51202943-100 |
| AI923 |
1771-P4R |
MU/MC-TA0X12 |
| YPH108B/SPC |
1734-ACNR |
CC-TAIX01 |
| IMFCS01 |
1756-IF8H |
900C75-0360-00 |
| SB511 |
1746-OB32E |
51195479-200 |
| SCC-F 23212-0-110310 |
1756-PLS |
51202329-100 |