2 Way Breeching Inlet

The 2 Way breeching Inlet Fire Hydrant is a critical connection component in firefighting systems, made of durable cast iron or ductile iron. It enables fire brigades to quickly connect hoses to a building’s fire protection system, supporting emergency water supply for fire suppression, and can be installed vertically or horizontally for flexible deployment.



Product Description

The 2 Way breeching Inlet Fire Hydrant is a key part of building and industrial firefighting systems, specifically designed to facilitate fire departments in connecting their hoses to the on-site fire protection network. Installed at ground level (or easily accessible areas within buildings) for convenient access by fire brigade personnel, this device is normally in a dry state and only charged with water by pumping from fire service appliances during emergencies.
 

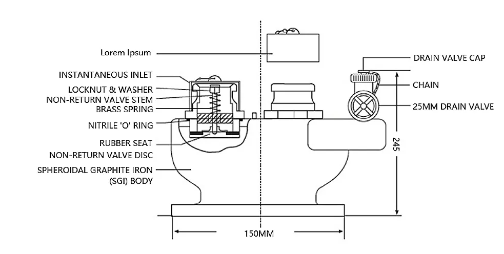
It features a scientific structure with dedicated inlet and outlet connections: the inlet adopts a 2.5” BS instantaneous male copper alloy fitting (complying with BS 1982 and BS 336) for secure hose connection, while the outlet is a 4”/100mm flange (meeting BS 4504, 4” table E, ANSI 150# or BS10D TABLE D standards) to link with the building’s internal fire water system. The production process follows strict steps—from drawing and mold making to casting, CNC machining, assembly, testing, quality inspection, and packing—ensuring stable performance and reliability in critical fire scenarios.

Feature

  • Durable Material: Constructed with cast iron or ductile iron, offering strong impact resistance and long service life.
  • Flexible Installation: Supports both vertical and horizontal installation, adapting to different site layout requirements.
  • Standardized Connections: Inlet and outlet comply with international BS, ANSI standards, ensuring compatibility with fire service hoses and systems.
  • High Pressure Resistance: Withstands a working pressure of 16bar and passes strict hydrostatic testing (24bar for body, 22.5bar for non-return valve), ensuring safety in high-pressure water supply.
  • Dry-State Design: Normally dry to avoid internal corrosion, only activated by fire service pumping during emergencies, reducing maintenance needs.

Product Parameter

Model T. Pressure Gate Valve Inlet Outlet
2BI-100/65 24 Bar 1'' Male W/Cap 4'' BS4504 2*2.5" BS336 Male Inst.
2BI-100/65 24 Bar 1'' Male W/Cap BS10D Talbe D 2*2.5" BS336 Male Inst.
FAQ
Q: What’s the MOQ for your 2 Way breeching Inlet Fire Hydrant?
A: 50 Pieces.
Q: Can you accept sample order?
A: Yes, we accept samples with little and reasonable charge. But need customer pay sample fees and transport fees first.
Q: What is your payment terms?
A: Payment supports T/T, L/C, etc.
Q: How can I get my order?
A: We will send you the goods by UPS, DHL, Fedex, Oversea Shipment or other forwarder, all with tracking number.
Q: Why choose us?
A: We serve customers for over 30 years—so we’ve got the knowledge and industry experience to help you get it right. Our company has professional technical personnel, strictly controls the production process (from casting to testing), and offers favorable prices while guaranteeing product quality that meets international standards.

Contact us

Act now—stop fire risks at the source!

JINYUAN TECHNOLOGY DEVELOPMENT CO.,LTD

TEL:86-18159244550 

EMAIL:Jony@jyfire.com.cn

ADD:CHENGGONG TECHNOLOGY ZONE PHASE 3,XIMEI TOWN,NAN'AN QUANZHOU CITY

 


Product Tags 2 Way breeching Inlet Fire Hydrant          Cast Iron Breeching Inlet          Ductile Iron Fire Hydrant          2.5” Instantaneous Male Inlet          Fire Hydrant          Jinyuan Fire breeching Inlet         

INQUIRY

Contact us for all information about the product


click here to leave a message

leave a message
If you are interested in our products and want to know more details,please leave a message here,we will reply you as soon as we can.