Aluminum alloy Tension Load Cell NA125 (2KG) 
	 
	NA125 is one of aluminum alloy tension load cell made with low capacities 2kg. The tension sensor is suitable for the textile machine.
	
	Key Features:
	Aluminum alloy construction
 Capacity: 2  KG 
	Easy to install, stable & reliable 
	
Usage & Applications: 
Hopper
scales
 Crane scales 
	Tension control and machine testing 
	Batching systems, blending & mixing
systems, belt scales,etc 
	
 
	  
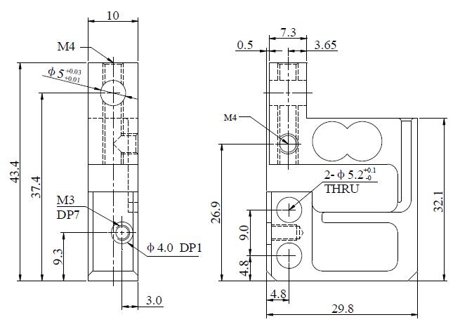
	Dimension: 
	
	NA125 Specification:
	
	
		
			
				| 
					 
						Rated
  Capacities
					 
				 | 
				
					 
						2(kg)
					 
				 | 
			
			
				| 
					 
						Rated
  Output
					 
				 | 
				
					 
						(1.05~1.3)mv/v
					 
				 | 
			
			
				| 
					 
						Zero
  Balance
					 
				 | 
				
					 
						±0.0200
  mV/V
					 
				 | 
			
			
				| 
					 
						Non-linearity
					 
				 | 
				
					 
						0.03
  %R.O.
					 
				 | 
			
			
				| 
					 
						Hysteresis
					 
				 | 
				
					 
						0.03
  %R.O.
					 
				 | 
			
			
				| 
					 
						Repeatability
					 
				 | 
				
					 
						0.03
  %R.O.
					 
				 | 
			
			
				| 
					 
						30mins
  Creep 
					 
				 | 
				
					 
						0.05
  %R.O.
					 
				 | 
			
			
				| 
					 
						30mins
  Return
					 
				 | 
				
					 
						0.05
  %R.O.
					 
				 | 
			
			
				| 
					 
						Safe
  Overload
					 
				 | 
				
					 
						150
  %R.O.
					 
				 | 
			
			
				| 
					 
						Ultimate
  Overload
					 
				 | 
				
					 
						200
  %R.O.
					 
				 | 
			
			
				| 
					 
						Temperature
  Effect On Output
					 
				 | 
				
					 
						0.005
  %R.O./℃
					 
				 | 
			
			
				| 
					 
						Temperature
  Effect On Zero
					 
				 | 
				
					 
						0.005
  %R.O./℃
					 
				 | 
			
			
				| 
					 
						Input
  Impedance
					 
				 | 
				
					 
						410±15
  Ω
					 
				 | 
			
			
				| 
					 
						Output
  Impedance
					 
				 | 
				
					 
						350±5
  Ω
					 
				 | 
			
			
				| 
					 
						Insulation
  Impedance
					 
				 | 
				
					 
						≥5000
  MΩ/(50VDC)
					 
				 | 
			
			
				| 
					 
						Recommended
  Excitation
					 
				 | 
				
					 
						5~12
  VDC
					 
				 | 
			
			
				| 
					 
						Maximum
  Excitation
					 
				 | 
				
					 
						15
  VDC
					 
				 | 
			
			
				| 
					 
						OperatingTemperatureRange
					 
				 | 
				
					 
						-20~60 ℃
					 
				 | 
			
			
				| 
					 
						Construction
					 
				 | 
				
					 
						Aluminum
  Alloy
					 
				 | 
			
			
				| 
					 
						Protection
  Class
					 
				 | 
				
					 
						IP65
  / IP66
					 
				 | 
			
			
				| 
					 
						Cable
					 
				 | 
				
					 
						Φ3*8cm(cable with connector)
					 
				 | 
			
			
				| 
					 
						Recommended
  Platform Size
					 
				 | 
				
					 
						
					 
				 | 
			
			
				| 
					 
						Mode
  of Connection
					 
				 | 
				
					 
						Red(EXC+),Black(EXC-), 
Green(SIG+),White(SIG-)
					 
				 |