Bearings Specification :
Part No.: FD209RM, FD209R, DHU1-1/8S-209
Material : Chrome steel Gcr15
Application For :
FlexKing discs.
Kewanee
Discs 1005, 1010, 1020 1978 & after; 1025, 1030, 1100, 1175 series. Replaces FD210R series bearing.
295 coulter chisel.
Sunflower discs.
White/Oliver late 271, 272 discs
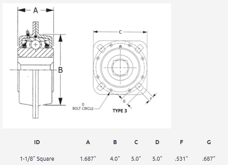
FD209RM Square Bore Bearing Dimension :
1-1/8" Square Bore
5" Diagonal Bolt to Bolt Length
FD209RM Bearing Picture:
We Also Can Produce other high quality Disc Harrow Bearing:
|
ST211-1 3/4
|
1–2
|
1.78
|
5.5
|
2.189
|
1.827
|
0.354
|
2.854
|
4.449
|
5.5
|
0.531
|
|
45.21
|
139.7
|
55.6
|
46.4
|
9
|
72.5
|
113
|
139.7
|
13.5
|
|
ST211-2 3/16
|
1–2
|
2.188
|
5.5
|
2.189
|
1.827
|
0.354
|
2.854
|
4.449
|
5.5
|
0.531
|
|
55.58
|
139.7
|
55.6
|
46.4
|
9
|
72.5
|
113
|
139.7
|
13.5
|
|
ST211-1 15/16
|
1–2
|
1.939
|
5.5
|
2.752
|
1.827
|
0.354
|
2.854
|
4.449
|
5.5
|
0.531
|
|
49.24
|
139.7
|
69.9
|
46.4
|
9
|
72.5
|
113
|
139.7
|
13.5
|
|
ST740
|
1
|
2.188
|
5.5
|
2.189
|
1.827
|
0.354
|
2.854
|
4.449
|
5.5
|
0.516
|
|
55.58
|
139.7
|
55.6
|
46.4
|
9
|
72.5
|
113
|
139.7
|
13.1
|
|
ST208-1R5BC
|
2
|
1.043
|
5
|
1.654
|
1.378
|
0.276
|
2.165
|
3.622
|
5
|
|
|
26.5
|
127
|
42
|
35
|
7
|
55
|
92
|
127
|
|
|
ST209-1 1/8
|
1–2
|
1.18
|
5
|
1.673
|
1.685
|
0.276
|
2.343
|
3.839
|
5
|
0.531
|
|
29.97
|
127
|
42.5
|
42.8
|
7
|
59.5
|
97.5
|
127
|
13.5
|
|
ST209-30S
|
1–2
|
1.234
|
5
|
1.673
|
1.685
|
0.276
|
2.343
|
3.839
|
5
|
0.531
|
|
31.35
|
127
|
42.5
|
42.8
|
7
|
59.5
|
97.5
|
127
|
13.5
|
|
ST209-1 1/4
|
1–2
|
1.299
|
5
|
1.673
|
1.685
|
0.276
|
2.343
|
3.839
|
5
|
0.531
|
|
33
|
127
|
42.5
|
42.8
|
7
|
59.5
|
97.5
|
127
|
13.5
|
|
ST209-40R
|
1–2
|
1.609
|
5
|
1.673
|
1.685
|
0.276
|
2.343
|
3.839
|
5
|
0.531
|
|
40.88
|
127
|
42.5
|
42.8
|
7
|
59.5
|
97.5
|
127
|
13.5
|
|
FD-211-RM
|
1–2
|
1.531
|
5.5
|
2
|
1.827
|
0.354
|
2.874
|
4.469
|
5.5
|
0.531
|
|
38.89
|
139.7
|
50.8
|
46.4
|
9
|
73
|
113.5
|
139.7
|
13.5
|
|
ST211-40S
|
2
|
1.609
|
5.5
|
2
|
1.827
|
0.354
|
2.874
|
4.469
|
5.5
|
0.531
|
|
40.88
|
139.7
|
50.8
|
46.4
|
9
|
73
|
113.5
|
139.7
|
13.5
|
|
DHU 40S-211
|
2
|
1.609
|
5.5
|
2
|
1.827
|
0.354
|
2.874
|
4.469
|
5.5
|
|
|
40.88
|
139.7
|
50.8
|
46.4
|
9
|
73
|
113.5
|
139.7
|
|
|
ST208-1N
|
2
|
1.024
|
4.764
|
1.503
|
1.378
|
0.276
|
2.165
|
3.622
|
4.686
|
|
|
26
|
121
|
38.18
|
35
|
7
|
55
|
92
|
119.02
|
|
|
ST208-1 1/8
|
2
|
1.18
|
4.764
|
1.503
|
1.378
|
0.276
|
2.165
|
3.622
|
4.686
|
|
|
29.97
|
121
|
38.18
|
35
|
7
|
55
|
92
|
119.02
|
|
|
ST208-1 1/8G
|
2
|
1.18
|
4.764
|
1.503
|
1.378
|
0.276
|
2.165
|
3.622
|
4.686
|
|
|
29.97
|
121
|
38.18
|
35
|
7
|
55
|
92
|
119.02
|
|
|
ST208-1 42LTB
|
2
|
1.024
|
4.764
|
1.654
|
1.378
|
0.276
|
2.165
|
3.622
|
4.686
|
|
|
|
|
|
|
|
|
|
|
|
We have Square Bore Bearings in stock now ,for more information ,pls contact with us at seven@mklbearing.com.