Seated type narrow body multi-directional reach truck
Multi-directional forklifts can move quickly in all directions to easily move long loads through narrow aisles and doorways. It handles long loads safely and efficiently. It also effortlessly carries loads along the sides of the machine, which helps reduce fleet and product damage.
The forklift is designed as a 3-in-1 forklift that can be used as a side loader, counterbalanced forklift and narrow aisle forklift. Fitting long, heavy loads in narrow aisles is a breeze, and the aisle only needs to be the width of the machine.
EPS, one-button reversing, high work efficiency. Shimadzu brand gear pump and buffer hydraulic cylinder, smooth operation and low noise. Curtis controller, precise control, simple controller parameter setting, powerful function, low failure rate. Sumitomo brand hydraulic hose, anti-wear and tensile, long service life.

Features:
1. Four-way driving and can turn 360 degrees in situ, suitable for very narrow passages and long material handling;
2. Full AC system, electric steering, long service life and low energy consumption;
3. Imported controller, high control precision, convenient electronic control setting, high performance and low failure;
4. High-strength PU or Rubber tires, stable driving and reliable braking;
5. HD drive wheel display;
6. Large capacity battery.
7. Lithium battery is optional.
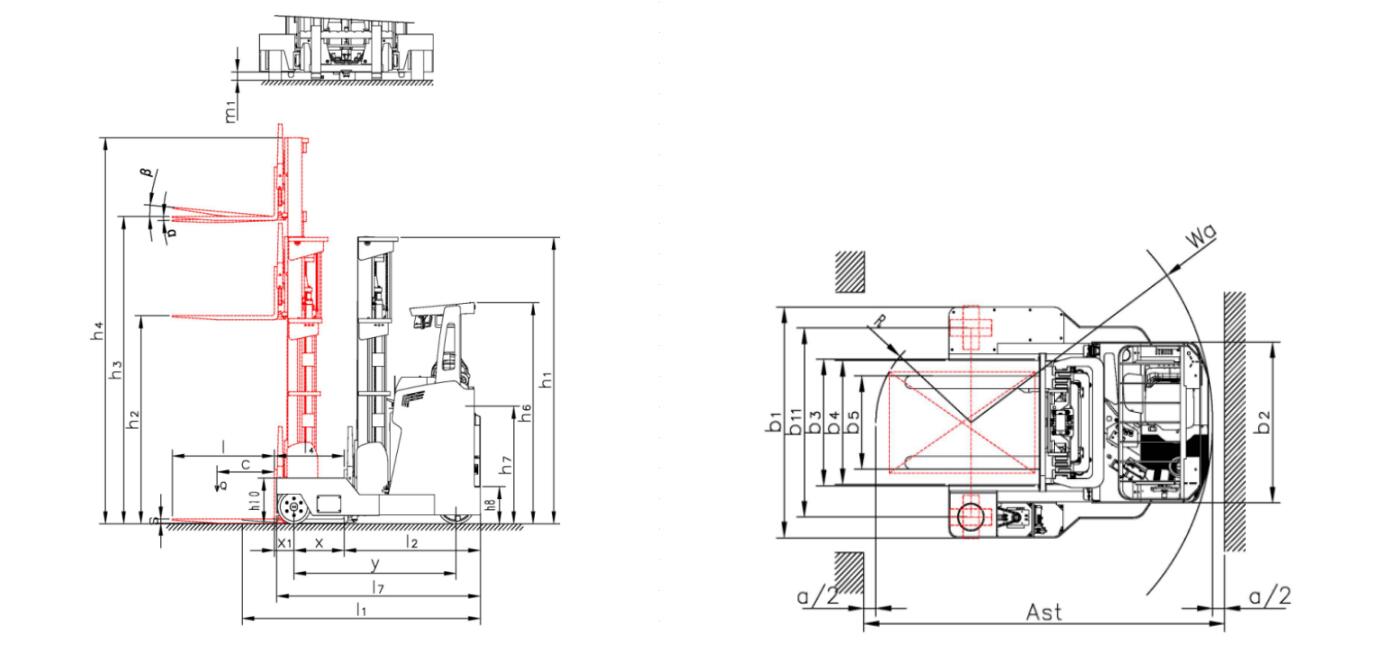
Specification:
| |
| |
Manufacturer |
|
NEOlift |
|
| Model |
|
NRQZ25 |
| Rated Capacity |
kg |
2500 |
| Load Center |
mm |
600 |
| Service Weight(incl.battery) |
kg |
5150 |
| Mast closed height |
mm |
4329 |
| Lift height |
mm |
10000 |
| Overall length |
mm |
2384 |
| Overall width |
mm |
1790/1270 |
| Fork size |
l/e/s(mm) |
920×100×45 |
| Reach distance |
mm |
740 |
| Side driving aisle width(pallet1000x1000) |
Ast(mm) |
2665 |
| Turning radius |
Wa(mm) |
1987 |
| Driving motor(S2-60min) |
kw |
8 |
| Lifting motor(S3-15%) |
kw |
15 |
| Battery voltage/capacity |
V/Ah |
48/560 |
| |

Application:
1.Food
2.Medical
3.Electronics
4.Hardware
5.Chemical
6.Logistics

Certificate:

Why choose NEOlift?
1.NEOlift has 20+ years experience in the field of electric material handling equipment! We can provide our customers with full range warehouse equipment based on various requirement.
2.The product range is comprehensive, the quality is safe and reliable.We have strict quality management system. We can provide customers with non-standard customized solutions according to their needs.
3.Professional and strong technical research and development team and timely and effective after-sales service.Shanghai Zon-Cho Huge Science And Technology Co., Ltd. has more than 60 professional technical R&D personnel, and each model has a professional R&D personnel responsible for it. Among them, more than 30% of the R&D personnel have a master's degree, 5 have a doctorate degree, and more than 60% of the R&D personnel have been engaged in the industry for more than 5 years.