Water Flow Detector

The Water Flow Indicator is a critical fire protection component that detects water movement in fire sprinkler or pipeline systems and triggers fire alarms to ensure timely fire safety response.



Product Description

Water Flow Indicator is a critical component in various systems where real-time water flow monitoring is essential. It provides clear visual or signal-based indication of water flow in pipes, ensuring the system operates at the required flow rate while detecting abnormalities (such as blockages) or leaks promptly.
Widely applied in industrial, commercial, and residential settings, this device plays a vital role in maintaining system efficiency and safety. For instance, in fire sprinkler systems, it alerts occupants and authorities to water flow issues, ensuring the system is ready to respond to fires. It also supports water usage monitoring in plumbing or industrial processes, helping prevent water waste and potential system damage.

There are three main types of Water Flow Indicators to meet diverse needs: Impeller Type (uses a rotating impeller for flow measurement), Turbine Type (relies on a rotating turbine), and Electromagnetic Type (utilizes electromagnetic sensors to measure flow of conductive liquids like water).

 

 

Features 

  • Provides real-time water flow information to maintain system efficiency.
  • Detects flow abnormalities (e.g., blockages) and leaks for timely troubleshooting.
  • Supports fire safety in sprinkler systems by alerting to flow issues.
  • Helps monitor water usage to reduce waste and control costs.
  • Helps monitor water usage to reduce waste and control costs.
  • Suitable for industrial, commercial, and residential settings.
  • Ensures compliance with system performance requirements through accurate flow indication.

Produ

ct Parameters

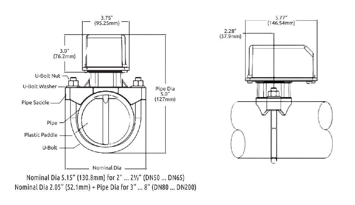
Material Saddle Ductile Iron
Cover Plastic
Gasket NBR Rubber
Clamp Steel
Vane Plastic
Working Pressure 1.2MPa
Sensitivity(L/Min) 15≤Q≤37.5
Voltage DC24V, 0.5A-1.0A
Delay Time 2-90 Seconds
Size 2''-8''

FAQ

Q: What’s the MOQ for your Water Flow Indicator?
A: 100 Pieces .
Q: Can you accept sample order?
A: Yes, we accept sample orders with a reasonable small charge. Customers need to pay the sample fee and transportation fee in advance.
Q: What is your payment terms?
A: Payment supports T/T, L/C, Western Union, and PayPal (for sample orders).
Q: How can I get my order?
A: We will ship the goods via UPS, DHL, FedEx, sea freight, or your designated forwarder—all shipments include a tracking number for real-time status checks.
Q: Why choose us?
A: With over 20 years of experience in the fire protection and fluid control industry, we have professional R&D and technical teams, as well as long-term partnerships with well-known domestic and international clients. Our Water Flow Indicators pass multiple certifications (CE, ISO, UL) to ensure quality, and we offer competitive prices and customizable solutions for specific application needs.

Contact us

Act now—stop fire risks at the source!

JINYUAN TECHNOLOGY DEVELOPMENT CO.,LTD

TEL:86-18159244550 

EMAIL:Jony@jyfire.com.cn

ADD:CHENGGONG TECHNOLOGY ZONE PHASE 3,XIMEI TOWN,NAN'AN QUANZHOU CITY.


Product Tags water flow indicator          Fire Protection Equipment          Fire Sprinkler System          water flow detector          Fire Alarm Component          Fire Prevention Tool         

INQUIRY

Contact us for all information about the product


click here to leave a message

leave a message
If you are interested in our products and want to know more details,please leave a message here,we will reply you as soon as we can.