42CrMo Steel PU Elastomer Punch & Dies for Amada CNC Press Brake

Polyurethane (PU) elastomer die set is a composite mold system that combines a metal frame and polyurethane elastomer. It can effectively absorb the impact force during sheet metal stamping or forming, reduce the wear of metal molds, and protect the surface of sheet metal parts from scratches.. for the angle and V opening, we can make it according to your bending request.



Jaminnar is in the field of sheet metal processing, and is engaged in the production and sale of bending tools and crowning tables. Jaminnar can supply punches and dies for any type of press brake. These tools are made of hardened and ground high quality steels C45 and 42CrMo. Our product range includes tool types such as: Amada / promecam european, Trumpf / Wila, Bystronic/Beyeler, LVD type, EHT type, American type, Gasparini Type, Colgar Type,Colly Type,Ajial-Axial Type, Hämmerle-bystronic Type, Special tools, Shear blades, Crowning Table, Rolla-V, Adjustable Die, Custom Rotary Dies, Clamping system, Tools Storage Cabinets, Protective Traceless Film, etc.  Jaminnar has two in-house R&D department specializing in designing technologically advanced solutions and focuses on innovative solutions, with the support of our technical department we are able to design and supply special punches and dies and research the right solution for your bending project.  The tools - our company supplies for press brakes are efficient and durable, thanks to the ability to use cutting-edge technology and uses advanced equipment for production with Implement strict quality control and the guarantee of highly qualified employees. Our molds undergo rigorous testing to ensure stability and durability; Reliability and competitive pricing are two other distinguishing features of our bending tools.

INFORMATION

 Art.No.: JM - 22002

 

Tooling system

JM - System 

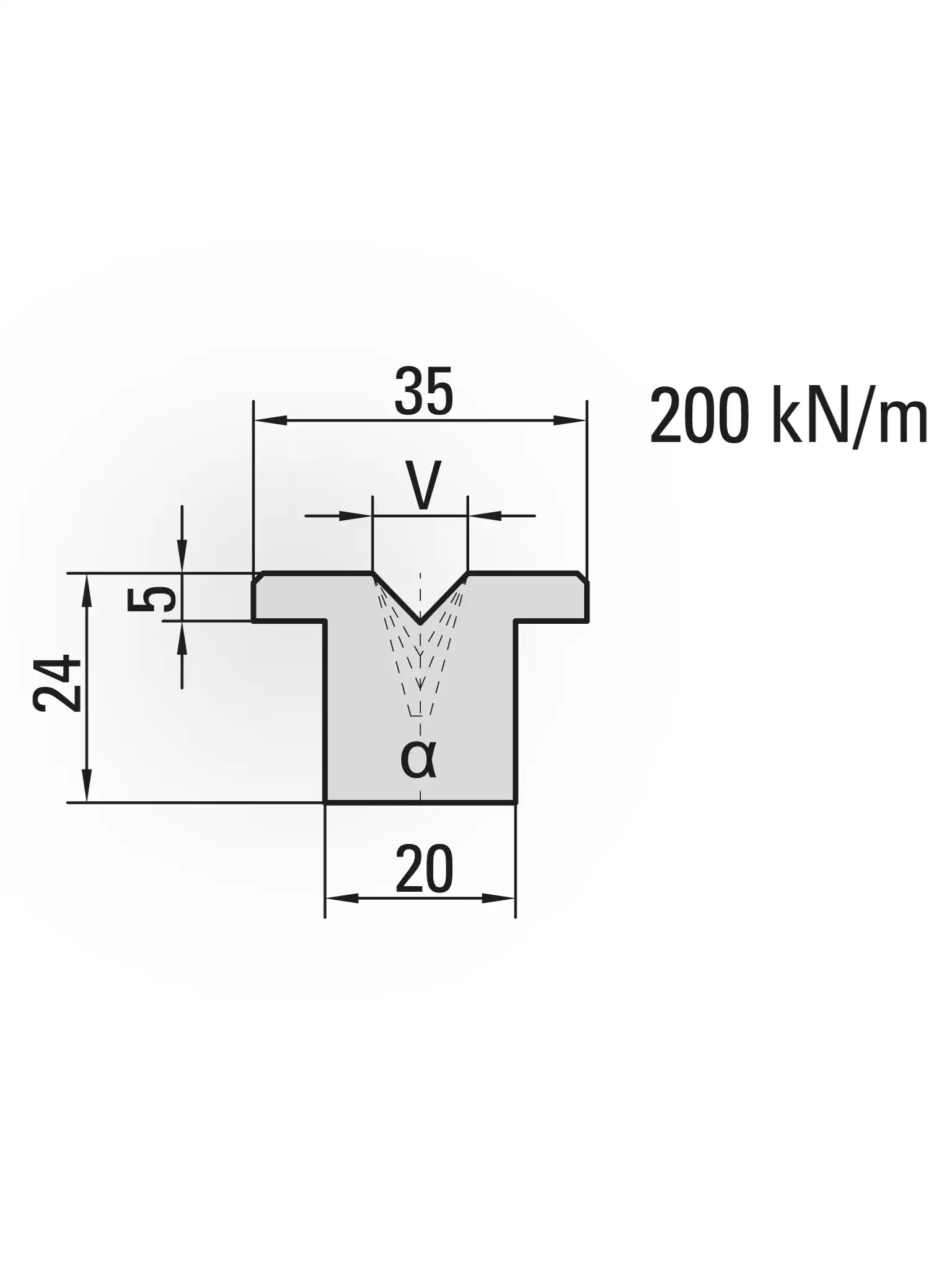
Die opening
V = 20 mm

Height

75 mm

Width

60 mm

Material

42CrMo, PU

Length and weight

835mm/17.6kg、415mm/8.6kg

 

Quality And Precision

Optimum materials

42CrMo4, PU

Precision ground

Guaranteed exchangeability and parallelism

Tool marking with all technical information

 

PRODUCT ADVANTAGES

Avoids marks on bended sheets

Ideal for bending aluminium, stainless steel and painted surfaces

Suitable for V-, radius-, U-bending

No reworking of workpieces necessary

No mark of the bended parts

Higher product quality

 

TOOL LENGTHS

 

DIES/LOWER-TOOLS

835 mm

 

 

415 mm

 

 

835 mm sectionalized

9 Segments

Sectionalized dies are delivered as a complete set

Lower die: 10, 15, 20, 40, 50, 100, 200, 400 = 835mm (set)

 In addition to the above standard length, if you need to customize a special length, please explain.

 

 

 

FAQ

1. Q: Are you a factory or trading company? How is you factory production experience?

    A: We are a factory. 24years Manufacturing experience. Leading supplier in Maanshan city.

2. Q: Can you put my brand logo on these products?

    A: Yes, we can.

3. Q: What is the Minimum Order Quantity (MOQ) for your OEM service?

    A: MOQ is 1pcs. Purchase amount not less than $50.

4. Q: When can you ship the products after we make payment?

    A: Production time is normally 15-25 days.

5. Q: What materials and processing techniques are used for press brake tooling?

    A: Material: 42CrMo4; Full body heat treatment HRC 44-50, CNC laser quenching HRC: 54-60; Surface treatment: silver, black coating or sandblasting

6. Q: How long is the warranty period for your products?

    A: Under normal use, the warranty period is 1 year.

7. Q: What payment methods do you support?  

    A: T/T, Western Union, WeChat etc.

 

 

 

 

 


Product Tags Polyurethane (PU) Elastomer Die Set          PU Elastomer Punch & Dies          PU Elastomer Die Set mark free bending          Mark free lower dies          mark free press brake dies          mark free and mark reduced bending         

INQUIRY

Contact us for all information about the product


click here to leave a message

leave a message
If you are interested in our products and want to know more details,please leave a message here,we will reply you as soon as we can.