Press brake 4v dies with V16,V22,V35,V50

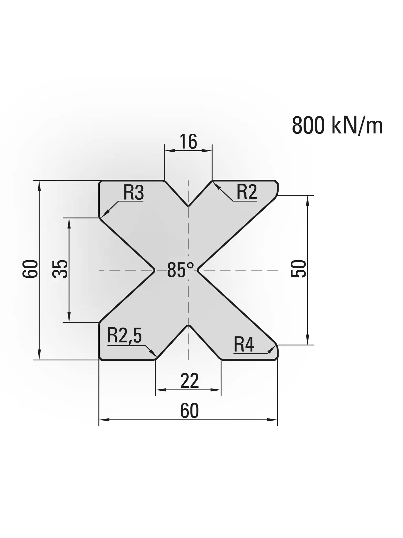
Standard 4v dies, V16,V22,V35,V50 with 85 degree and 88degree. the size is 60*60*835mm, material 42CrMo4 .the weight is 15.6kg. the material is 42CrMo4, hardness is HRC47+/-3.





INFORMATION

 Art.No.: JM - Press brake 4v dies

 

Tooling system

JM - System Amada

Angle

85°

Die opening
V = 16/22/35/50 mm

Radius

2/2.5/3/4mm

Height

60 mm

Max load

800 kN/m max.

Material

42CrMo, 650 - 800 N/mm²

Length and weight

835mm/15.6kg、415mm/7.8kg

 

Quality And Precision

Optimum materials

42CrMo4, tempered to 1100- 1200 N/mm²

Bending Radius/Intake Radius Hardens to 54 – 60 HRC

Precision ground

Guaranteed exchangeability and parallelism

Tool marking with all technical information

TOOL LENGTHS

 

DIES/LOWER-TOOLS

835 mm

 

 

415 mm

 

 

835 mm sectionalized

9 Segments

Sectionalized dies are delivered as a complete set

Lower die: 10, 15, 20, 40, 50, 100, 200, 400 = 835mm (set)

 In addition to the above standard length, if you need to customize a special length, please explain.

 

 

 

FAQ

1. Q: Are you a factory or trading company? How is you factory production experience?

    A: We are a factory. 24years Manufacturing experience. Leading supplier in Maanshan city.

2. Q: Can you put my brand logo on these products?

    A: Yes, we can.

3. Q: What is the Minimum Order Quantity (MOQ) for your OEM service?

    A: MOQ is 1pcs. Purchase amount not less than $50.

4. Q: When can you ship the products after we make payment?

    A: Production time is normally 15-25 days.

5. Q: What materials and processing techniques are used for press brake tooling?

    A: Material: 42CrMo4; Full body heat treatment HRC 44-50, CNC laser quenching HRC: 54-60; Surface treatment: silver, black coating or sandblasting

6. Q: How long is the warranty period for your products?

    A: Under normal use, the warranty period is 1 year.

7. Q: What payment methods do you support?  

    A: T/T, Western Union, WeChat etc.

 

 

 

 

 


Product Tags 4V press brake tool          Multi V lower die          Standard 4v dies          42crmo press brake 4v dies          American style 88 Degree press brake dies          4V press brake die         

INQUIRY

Contact us for all information about the product


click here to leave a message

leave a message
If you are interested in our products and want to know more details,please leave a message here,we will reply you as soon as we can.