INFORMATION
|
Art.No.: JM - 24011
|
|
|
Tooling system
|
JM - System Bystronic
|
|
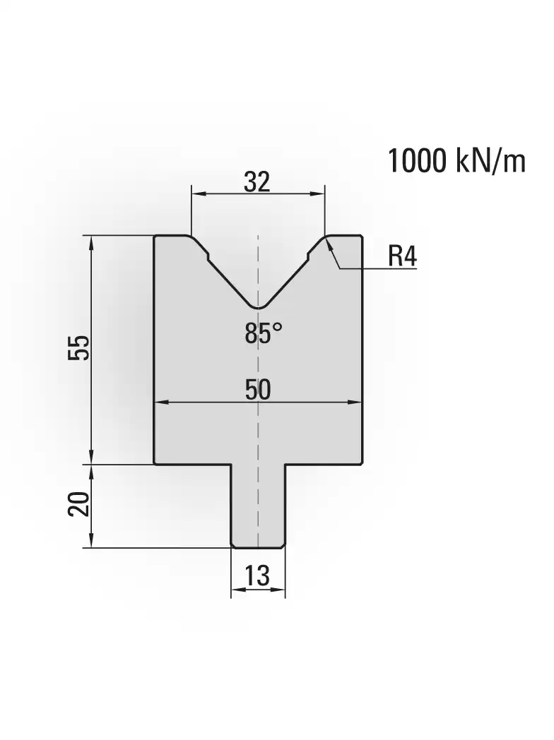
Angle
|
85°
|
|
Die opening
|
V = 32 mm
|
|
Radius
|
4mm
|
|
Effective Height
|
55 mm
|
|
Max load
|
1000 kN/m max.
|
|
Material
|
42CrMo
|
|
Length and weight
|
550mmSect/11.5kg、515mm/10.8kg
|
Quality And Precision
▶Optimum materials
▶42CrMo4, tempered to 1100- 1200 N/mm²
▶Bending Radius/Intake Radius Hardens to 54 – 60 HRC
▶Precision ground
▶Guaranteed exchangeability and parallelism
▶Tool marking with all technical information
TOOL LENGTHS
DIES/lower-TOOLS
515 mm
300 mm
200 mm

100 mm

550 mm sectionalized
▶ 9 Segments
▶ Sectionalized dies are delivered as a complete set
▶ Dies : 25, 25, 30, 35, 40, 45, 50, 100, 200 = 550mm (set)
■ In addition to the above standard length, if you need to customize a special length, please explain.

FAQ
1. Q: Are you a factory or trading company? How is you factory extrusion experience?
A: We are a factory. 23years Manufacturing experience.Leading supplier in Maanshan city.
2. Q:Can you put my brand logo on these products?
A:Yes we can.
3. Q:What is the Minimum Order Quantity (MOQ) for your OEM service?
A:MOQ is 1pcs.
4. Q:When can you ship the products after we make payment?
A:Production time is normally 15-25 days.