Jaminnar is in the field of sheet metal processing, and is engaged in the production and sale of bending tools and crowning tables. Jaminnar can supply punches and dies for any type of press brake. These tools are made of hardened and ground high quality steels C45 and 42CrMo. Our product range includes tool types such as: Amada / promecam european, Trumpf / Wila, Bystronic/Beyeler, LVD type, EHT type, American type, Gasparini Type, Colgar Type,Colly Type,Ajial-Axial Type, Hämmerle-bystronic Type, Special tools, Shear blades, Crowning Table, Rolla-V, Adjustable Die, Custom Rotary Dies, Clamping system, Tools Storage Cabinets, Protective Traceless Film, etc. Jaminnar has two in-house R&D department specializing in designing technologically advanced solutions and focuses on innovative solutions, with the support of our technical department we are able to design and supply special punches and dies and research the right solution for your bending project. The tools - our company supplies for press brakes are efficient and durable, thanks to the ability to use cutting-edge technology and uses advanced equipment for production with Implement strict quality control and the guarantee of highly qualified employees. Our molds undergo rigorous testing to ensure stability and durability; Reliability and competitive pricing are two other distinguishing features of our bending tools.
INFORMATION
|
Art.No.: JM - 25116
|
|
|
Tooling system
|
JM - System Trumpf/Wila/Bystronic
|
|
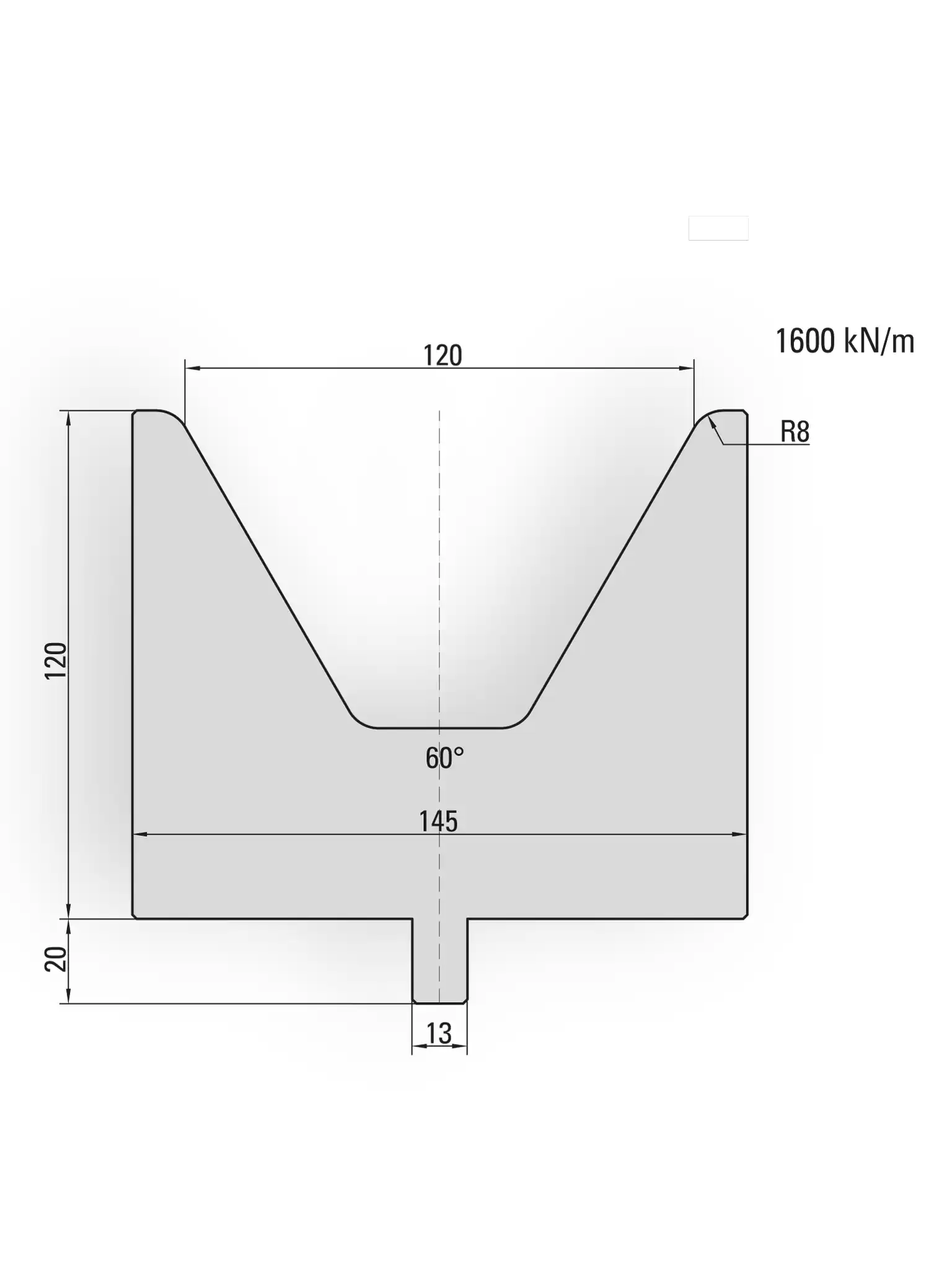
Angle
|
60°
|
|
Die opening
|
V = 120 mm
|
|
Radius
|
8mm
|
|
Effective Height
|
120 mm
|
|
Max load
|
1600 kN/m max.
|
|
Material
|
42CrMo
|
|
Length and weight
|
550mmSect/49.8kg、500mm/45.3kg
|
Quality And Precision
▶Optimum materials
▶42CrMo4, tempered to 1100- 1200 N/mm²
▶Bending Radius/Intake Radius Hardens to 54 – 60 HRC
▶Precision ground
▶Guaranteed exchangeability and parallelism
▶Tool marking with all technical information
TOOL LENGTHS
DIES/TOP-TOOLS
500 mm
300 mm
200 mm

100 mm

550 mm sectionalized
▶ 9 Segments
▶ Sectionalized dies are delivered as a complete set
▶ Dies : 25, 25, 30, 35, 40, 45, 50, 100, 200 = 550mm (set)
2050 mm Tool Set
▶ 14 Segments
▶ Sectionalized dies are delivered as a complete set
▶ Dies : 25, 25, 30, 35, 40, 45, 50, 100×3, 200, 300, 500×2 = 2050mm (set)
3050 mm Tool Set
▶16 Segments
▶ Sectionalized dies are delivered as a complete set
▶ Dies : 25, 25, 30, 35, 40, 45, 50, 100×3, 200, 300, 500×4 = 3050mm (set)
4050 mm Tool Set
▶18 Segments, with Simple Clamp and horn extension left and right
▶ Sectionalized punches/top-tools are delivered as a complete set
▶ Dies : 25, 25, 30, 35, 40, 45, 50, 100×3, 200, 300, 500×6 = 4050mm (set)
Put together your tool lenghts individually!
■Create your own individual tool lengths set for punches/top tools and dies!
■ In addition to the above standard length, if you need to customize a special length, please explain.

FAQ
1. Q: Are you a factory or trading company? How is you factory production experience?
A: We are a factory. 24years Manufacturing experience. Leading supplier in Maanshan city.
2. Q: Can you put my brand logo on these products?
A: Yes, we can.
3. Q: What is the Minimum Order Quantity (MOQ) for your OEM service?
A: MOQ is 1pcs. Purchase amount not less than $50.
4. Q: When can you ship the products after we make payment?
A: Production time is normally 15-25 days.
5. Q: What materials and processing techniques are used for press brake tooling?
A: Material: 42CrMo4; Full body heat treatment HRC 44-50, CNC laser quenching HRC: 54-60; Surface treatment: silver, black coating or sandblasting
6. Q: How long is the warranty period for your products?
A: Under normal use, the warranty period is 1 year.
7. Q: What payment methods do you support?
A: T/T, Western Union, WeChat etc.