UL FM Threaded Mechanical Tee

Threaded Mechanical Tee has the same function as grooved mechanical tee. Both are mechanical pipe fittings used to make holes and branches on existing pipes.



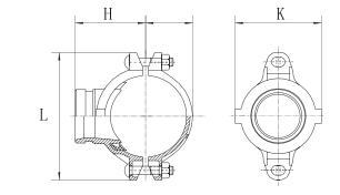
Product Introduction

Its working principle is exactly the same as that of the grooved type:

 

  Drill a hole that meets the specifications on the main pipeline. Wrap the two-half threaded mechanical tee around the main pipeline, fasten it with bolts, and rely on the special gasket inside to achieve sealing at the opening of the main pipeline. Screw the branch pipe (or threaded pipe fitting) into the threaded port of the branch outlet and use PTFE tape or sealant to ensure a threaded seal.

Product Features

1. Direct connection to threaded equipment: It can be directly screwed onto valves, instruments, etc.

2. No grooving processing required: No grooves need to be rolled at the end of the branch pipe.

3. Suitable for small pipe diameters: It is more convenient to apply on small-sized branches (such as 1/2", 3/4").

Product Parameter

Norminal Size Pipe O.D(mm) Working Pressure Bolt Size Hole Dia
2" x 1" 60.3 x 33.7  300 PSI / 2.07 Mpa M10 X 55 38mm / 1.5inch
2" x 1-1/4" 60.3 x 42.4 M10 X 55 51mm / 2inch
2" x 1-1/2" 60.3 x 48.3 M10 X 55 51mm / 2inch
2-1/2" x 1" 73.0 x 33.7 M10 X 60 38mm / 1.5inch
2-1/2" x 1-1/4" 73.0 x 42.4 M10 X 60 51mm / 2inch
2-1/2" x 1-1/2" 73.0 x 48.3 M10 X 60 51mm / 2inch
3" x 1" 88.9 x 33.7 M12 X 65 38mm / 1.5inch
3" x 1-1/4" 88.9 x 42.4 M12 X 65 51mm / 2inch
3" x 1-1/2" 88.9 x 48.3 M12 X 65 51mm / 2inch
3" x 2" 88.9 x 60.3 M12 X 65 64mm / 2.5inch
4" x 1" 114.3 x 33.7 M12 X 75 38mm / 1.5inch
4" x 1-1/4" 114.3 x 42.4 M12 X 75 51mm / 2inch
4" x 1-1/2" 114.3 x 48.3 M12 X 75 51mm / 2inch
4" x 2" 114.3 x 60.3 M12 X 75 64mm / 2.5inch
4" x 2-1/2" 114.3 x 73 M12 X 75 70mm / 2.75inch
4" x 3" 114.3 x 88.9 M12 X 75 89mm / 3.5inch
5" x 1" 141.3 x 33.7 M16 X 80 38mm / 1.5inch

FAQ

Q:What’s the MOQ for Threaded Mechanical Tee?

A:For standard sizes, our MOQ is usually 200 pieces. For large sizes or special requirements, the MOQ can be one unit. We are always willing to provide customers with flexible solutions.

 

Q:What is your payment terms?

A:Payment supports T/T, L/C, etc. We also support payment via wechat or Alipay.

 

Q:What is the delivery time?

A:The production usually takes 15 to 45 days. For large or special orders, it may take 60 days or longer. We will provide you with an accurate production plan after placing your order.

Contact Us

One Stop Solution for fire hoses,sprinklers,nozzles,valves and pipe fittings!

JINYUAN TECHNOLOGY DEVELOPMENT CO.,LTD

Tel.:86-18159244550   Mobil:18159244550

EMAIL:Jony@jyfire.com.cn

ADD:CHENGGONG TECHNOLOGY ZONE PHASE 3,XIMEI TOWN,NAN'AN QUANZHOU CITY


Product Tags Threaded Mechanical Tee          300PSI Threaded Mechanical Tee          Threaded Mechanical Tee Manufacturer          2 Inch Threaded Mechanical Tee          UL List Threaded Mechanical Tee          Suppliers Threaded Mechanical Tee         

INQUIRY

Contact us for all information about the product


click here to leave a message

leave a message
If you are interested in our products and want to know more details,please leave a message here,we will reply you as soon as we can.